Home - Products Center - Disconnector Switch/Isolator - Indoor Disconnector - GN24-12kV Indoor High-Voltage Disconnector Switch
Back
GN24-12 Indoor High-Voltage Disconnector Appearance drawing
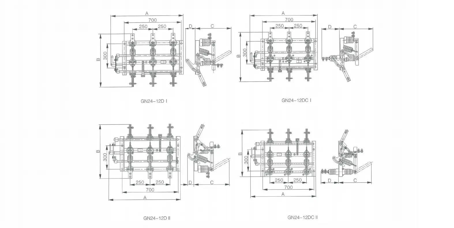
GN24-12 Indoor High-Voltage Disconnector Installation dimension drawing
GN24-12 Indoor High-Voltage Disconnector Appearance drawing
GN24-12 Indoor High-Voltage Disconnector Installation dimension drawing

GN24-12kV Indoor High-Voltage Disconnector Switch

GN24-12 series indoor high-voltage disconnect switches are indoor devices with a rated voltage of12kV, three-phase AC 60Hz, and are used for dividing and closing circuits whenthere is voltage and no load.

Feature
1

GN24-12D(I1.2, II1.2)Q Type Isolation Switch: This type has a grounding form on the moving (or static) contact side; the main switch and earthing switchs are combined in a single frame. Type 1 operates from the left, Type 2 from the right, and Type Q is a full-condition product that can be equipped with a live display device upon customer request.

2

GN24-12SDI, II(C1, 2, 3) Type Isolation Switch: Both moving and static contacts have grounding forms and can be modified to have wall-passing bushings on either the moving (or static) side (or both sides). The main switch and two sets of earthing switchs are combined in the same frame, with one set of earthing switchs operable independently or simultaneously with one mechanism.

Parameter

Projects

400A 630A

1000A

1250A

Mounting hole size

Specifications and models

A

B

C

D

A

B

C

D

A

B

C

D

GN24-12D I

890

660

450

125

890

690

480

125

890

700

500

125

700×300

GN24-12D Ⅱ

890

660

450

125

890

690

480

125

890

700

500

125

GN24-12D I

890

660

450

240

890

690

480

350

890

700

500

350

GN24-12D II C

890

660

450

240

890

690

480

350

890

700

500

350

GN24-12D I

920

780

450

125

920

790

480

125

920

790

500

125

GN24-12D III C

920

780

450

240

920

790

480

350

920

790

500

350


Operating Environment Conditions

1. Altitude: No more than 1000 meters;
2. Ambient air temperature: No higher than +40°C and no lower than -25°C;
3. Ambient relative humidity: Daily average not exceeding 95%, monthly average not exceeding 90%;
4. Seismic intensity not exceeding 8 degrees;
5. No fire, explosion hazards, severe pollution, chemical corrosion, or severe vibration in the environment.


Install
GN24-12 Indoor High-Voltage Disconnector Installation Dimensions Diagram
Related Products
Service
Copyright © 2024 Chennuo Electric Technology Group Co., Ltd Sitexml

Home

Tel

Contact

Top