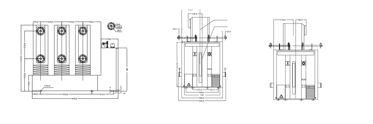
VS1(ZN63A)-10kV(12kV) Side-Mounted Indoor Vacuum Circuit Breaker
VS1(ZN63A)-10kV(12kV) Side-Mounted Indoor Medium-voltage Vacuum Circuit Breaker, is designed for indoor switching equipment in 3-10kV AC 50Hz power systems. It serves as a protection and control unit for grid equipment and power devices in industrial and mining enterprises. Due to its advantages, this vacuum circuit breaker is especially suitable for locations requiring frequent operations under rated working current or multiple interruptions of short-circuit current. The VS1 model indoor medium-voltage vacuum circuit breaker features two types of operating mechanisms: a spring mechanism and a permanent magnet mechanism. It can be used as a fixed installation unit or paired with a specialized propulsion mechanism to form a handcart unit.
This vacuum circuit breaker is intended for indoor switching equipment in 10kV(12kV) power systems, serving as a protection and control unit for grid equipment and power devices in industrial and mining enterprises.
Suitable for applications requiring frequent operations at rated working current or multiple interruptions of short-circuit current.
The operating mechanism includes both spring and permanent magnet options, allowing it to function as a fixed installation unit or to be paired with a dedicated propulsion mechanism to create a truck unit.
|
Tech. parameters |
Unit |
Data |
||||
|
20KA |
25KA |
31.5KA |
40KA |
|||
|
Rated voltage |
KV |
12 |
||||
|
Maximum working voltage |
KV |
12 |
||||
|
Rated current |
A |
630-1250 |
630-1250 |
630-2000 |
1250-4000 |
|
|
Rated short circuit breaking current |
KA |
20 |
25 |
31.5 |
40 |
|
|
Rated short circuit making current |
KA |
50 |
63 |
80 |
100 |
|
|
Rated peak withstand current |
KA |
50 |
63 |
80 |
100 |
|
|
4S rated short circuit withstand current |
KA |
20 |
25 |
31.5 |
100 |
|
|
Rated insulation level |
Power-frequency withstand voltage (rated before and after breaking) |
KV |
42(fracture 48) |
|||
|
Lightning impulse withstand voltage (rated before and after breaking) |
75(fracture 84) |
|||||
|
Rated operating sequence |
Break-0.3s-Make and break-180s-Make and break |
|||||
|
Mechanical life |
Times |
20000 |
||||
|
Rated short circuit breaking current breaking times |
Times |
50 |
||||
|
Rated making voltage of operating machinery (DC) |
V |
AC/DC 110/220 |
||||
|
Rated breaking voltage of operating machinery (DC) |
V |
AC/DC 110/220 |
||||
|
Clearance between open contacts |
mm |
11±1 |
||||
|
Overtravel (contact spring compression length) |
mm |
3.5±0.5 |
||||
|
Breaking and making asynchronism of three different phases |
ms |
≤2 |
||||
|
Contact closing bounce time |
ms |
≤2 |
||||
|
Average opening speed |
m/s |
0.9-1.2 |
||||
|
Average closing speed |
m/s |
0.5-0.8 |
||||
|
Breaking time |
ms |
20-60 |
||||
|
Making time |
ms |
≤70 |
||||
|
Main circuit resistance of each phase |
(μΩ) |
630≤50 1250≤45 |
1600-2500≤40 |
3150≤35 |
||
|
Allowable cumulative wear thickness of dynamic and static contacts |
mm |
30 |
||||
Environmental Conditions:
1. Ambient temperature is not greater than +40 °C, not less than 10 °C (allow storage at -30 °C);
2. Altitude below 1000m;
3. Daily average daily relative humidity of not more than 95%, the monthly average of not more than 90%;saturated vapor pressure daily average of not more than 2.2 10-3MPa, the monthly average of not less than 1.8*10-2MPa. When the temperature drops sharply, it may condense;
4. Earthquake intensity does not exceed 8;
5. No fire, explosion, serious pollution, chemical corrosion and severe vibration of the place.
CKG4 High Voltage Vacuum Contactor
CKG4 high-voltage vacuum contactors, the AC vacuum ...
See More
High Voltage Vacuum Contactor CKG4B
This series of high-voltage vacuum contactors, the AC ...
See More
ZN85-30kV(40.5kV) Indoor Handcart Vacuum Circuit Breaker
The ZN85 Indoor Handcart Vacuum Circuit Breaker ...
See More
VS1(ZN63A)-10KV(12KV) Indoor Vacuum Circuit Breaker
VS1(ZN63A)-10kV(12kV) Indoor Medium-voltage Vacuum Circuit ...
See More
Vacuum Contactor (JCZ8C-24kV )
This series of medium-voltage vacuum contactors is suitable ...
See More
Low Voltage Vacuum Contactor (CKJ40)
This series of vacuum contactors reaches a high level of ...
See More
CKJ20-160/250/400 Low Voltage Vacuum Contactor Switch
This CKJ20 series of vacuum contactor switch is suitable ...
See More
Low Voltage Vacuum Contactor (CKJ20-630/1250A)
This series of vacuum contactors is suitable for ...
See MoreProduct Search
Here you can choose products online and find the products you want more quickly and accurately.
Customized Consultation
If you want to customize a product, please contact us, and our team is more than happy to assist you.
Product Procurement
If you want to purchase a product, please contact us and we will provide you with product information and a quotation.
Chennuo Electric Technology Group Co., Ltd
Tel:+86 19303791130
Email:sales@chennuojt.com
Add:No. 9 Duyu Street, Luolong District, Luoyang City, Henan Province, China